Light cross country truck series 63 pages summary of contents for volvo vnl. You cannot purchase parts for your truck from this site.
Truck Improvements
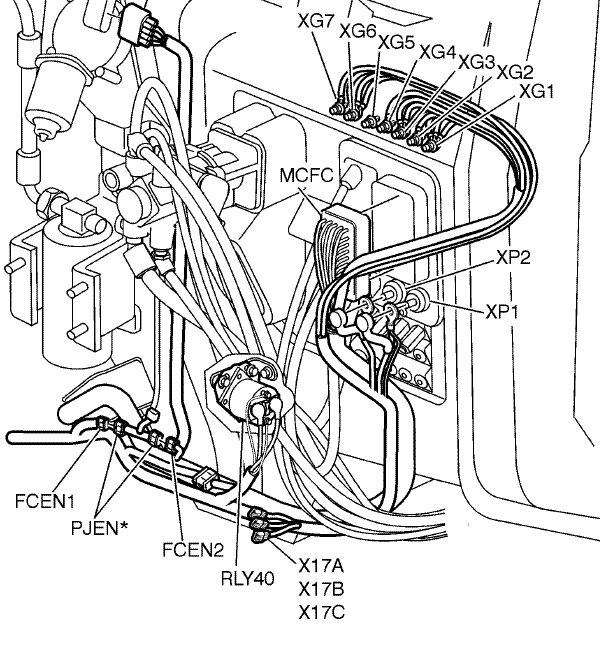
Volvo truck pass through diagram. There are no customer reviews yet. I have to turn the truck off going down the road at highway speed for about 10 seconds and itll go back to normal. Wiring diagram 144 pages trucks volvo c 303 manual. Page 16 for the volvo d7d12 engine only it will also illuminate solid during engine ecu programming. Release 370 00 02 page 8081 x02 trailer connector absebs ef 0 c x04 trailer connector 7 poles 24 v x07 socket 12v ex 1 d switch panic alarm bx 2 b x10 b pass through cab aa 0 b s232 switch f16108ll gearbox safety mode mc 3 b y01 solenoid valve engine brake cl 1 b y05 solenoid valve bogie ma 1 d sym23468 interface implement ld 0 c y06 sym24035 interface implement ld 1 c solenoid valve range gear. Caps fuel radiator oil fill def drivetrain u joints.
This site offers you the opportunity to purchase volvo related vehicle information such as service bulletinsmanuals wiring schematics dvds operator manuals maintenance information training materials and diagnostic software and hardware premium tech tool. Page 1 of 2 1 2 next jun 26 2011 1. Poniikyanion light load member. Volvo powertrain keeps your business moving forward. Setting the standard for heavy haul. Long haul efficiency premium comfort.
Also for the volvo d7d12 only the caution lamp is always on for 3 5 seconds when the key switch is turned to the ignition position. Nov 23 2009 newark nj 0. Wheel end bearings seals. Replace 05 volvo firewall airlinewiring pass thur discussion in trucks eighteen wheelers started by poniikyanion jun 26 2011. The engine that redefines versatility. The plastic developed some hairline crack and causing some air leak.
The check vehicle ecu comes on. Page 1 service manual trucks group new features electrical general vnl vnm pv776 tsp237601. Page 2 greensboro nc usa order number. The ultimate auto hauler. Light cross country truck series 63 pages trucks volvo c 303 manual. The truck wont go pass 1400 rpm the speedometer doesnt work the cruise doesnt work the engine break doesnt work.
Please note that this is the newest part number and there may be some rerouting of lines needed. The fault code is mid 144 pid 191 fmi 5. Genuine volvo firewall passthrough for the wiring harness and airlines. Body builder material is located on our public volvo trucks web site here. In this video i show how to replace the pass through fittings on a volvo. Trucks volvo fm series wiring diagram 244 pages trucks volvo fm drivers handbook manual 967 pages trucks volvo fl6 service manual.
Replaces volvo 20990666 20990665 22646183 22646185 22646189 22646191 22646194 20510431. Find a volvo truck thats perfect for your needs. I have a 2007 volvo 670. Check your order status by. Standard parts fittings bolts nuts steering and suspension. Ac and heating system.
Volvo truck pass through 22646187. Can someone be kind enough to give me some tips on replacing the black plastic panel that let airlines and wires thur the firewall which is next to the clutch master cylinder. Reasons for doing this is air leaking on either the outside or inside. The future of regional hauling today. Welcome to the volvo emedia center v20. Volvo truck corporation service bulletin date 112010 group no.















