4 ohm mono is equivalent to 2 ohm stereo. I have shown this on my 1996 nissan skyline r33 gts t type m spec ii.
How To Adjust Car Amplifier Settings Ultimate Guide By Howtereo
How to wire sub and amp. Running wires to your battery. Single voice coil wiring options. The subwoofer is hooked up to the receiver with a single interconnect cable. Turn your vehicle off and pop the hood. Stereo receivers pre amps and integrated amplifiers rarely have subwoofer output jacks or offer bass management options. This is a video tutorial on how to install an amplifier and a subwoofer in your vehicle.
Mounting your head unit. Connect the subwoofer to the amp with speaker wires if they are separate. If the subwoofers line in uses rca cables and if the subwoofer out on the receiveramplifier also uses rca simply plug in using an rca cable. They show a typical single channel wiring scheme. Some amps have that feature built in called speaker level inputs so thered be no need for a separate little device. Check the amplifiers owners manual for minimum impedance the amplifier will handle before hooking up the speakers.
If youre wanting to install a 4 channel amp for 4 speakers and a subwoofer but only have 2 stereo channels available thats ok. If the cable is split on one end a y cable for both right and left channels then plug in both the r and l ports. Disassemble your center console to remove the factory head unit. How to wire an amp to a sub and head unit method 1 of 3. Use 14 or 16 gauge wire for speakers 12 or 14 gauge for subwoofers. Look for positive and negative terminals on both devices.
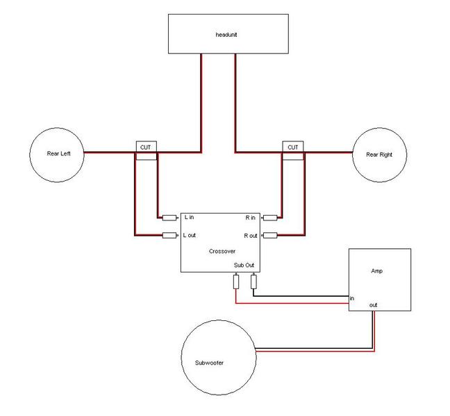
As shown in my diagram you can connect 2 channels to a 4 channel amp using either the speaker level inputs wired in parallel or by using rca y adapter cables. The best way to do that is to run a new speaker wire from each amplifier output to each speaker. Unspool enough speaker wire to extend from the amp to the subwoofers inputs. The following diagrams are the most popular wiring configurations. Do not put the keys in the. Orlando you can use a line output converter loc to get signal from your factory speaker wiring to use for your sub amps input.
Then strip 1 2 in 13 cm off both ends. Speaker level signals are not very prone to picking up interference so its okay to run your speaker wires near power cables.



/connect-a-subwoofer-to-receiver-or-amp-3135132-e2b98b9d9ce24e26aa3776e466fbcb9c.png)













