See more on our website. Engine control module throttle control.
Under Hood Fuse Box Diagram Chevrolet Traverse 2009 2010
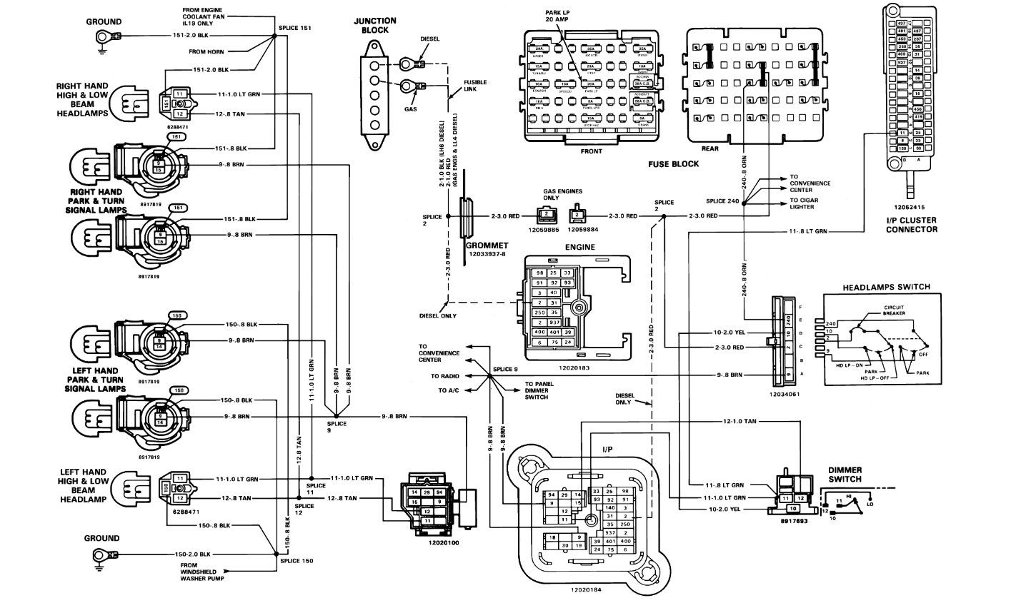
2011 silverado fuse box location. If your silverado 1500 is experiencing electrical problems you should always check the fuses first because they are relatively easy to check and cheap to change. The fuse block access door is on the drivers side edge of the instrument panel. The 2014 chevrolet silverado 1500 protects the trailer light circuits with four separate mini fuses in the engine compartment fuse box. Right trailer stopturn lamp. Posted on feb 05 2016. Chevrolet avalanche 2011 fuse box diagram.
3 related answers robert. See more on our website. Antilock brake system 2. How to replace the rear bumper on a 2011 chevrolet. Electronic stability suspension control automatic level control exhaust. Engine compartment fuse block.
Httpsfuse boxinfogmcgmc sierra mk3 2007 2013 fuses and relay fuse box diagram location and assignment of electrical fuses and. Left trailer stopturn lamp. Remove the cover from the fuse box and set it aside. Pull off the cover to access the fuse block. The engine compartment fuse block is located in the engine compartment on the driver side of the vehicle. To change the fuses open the hood and locate the fuse box in the driver side of the engine compartment.
Left trailer stopturn lamp. Chevy provides you with a fuse puller tool inside the driver side instrument fuse block. In this article we consider the second generation chevrolet silverado produced from 2007 to 2013. Chevrolet avalanche fuse box diagram engine compartment. The fuses that control the. If your silverado 1500 has many options like a sunroof navigation heated seats etc the more fuses it has.
Under the hood fuse box some trucks the relay is integrate into the uvac if this the case you must remove the fuse box and replace the uvac check the wiring schematicscheck for water intrusion in the fuse box first look for green witness marks under the relays. 2011 11 sierra silverado 1500 crew cab chassis frame wiring harness 22760201 ebay skip to main content. This will fit 2011 crew cab 1500 silverado sierra trucks. Open the driver side door and pull the cover off the fuse block to access the puller. Chevrolet silverado 2011 engine compartment fuse boxblock circuit breaker diagram. 8 bolts on the inside of the rear bumper 4 on the.
Driver side low beam headlamp. Some components may have multiple fuses so make. Electronnic suspension control automatic level control exhause. This goes from the fuse box in the front to the tail light junction box in the back. Right trailer stopturn lamp. You can remove fuses with a fuse extractor which is mounted to the fuse block access door.
Engine control module throttle control. Here you will find fuse box diagrams of chevrolet silverado 2007. Httpsfuse boxinfochevroletchevrolet silverado mk2 2007 2013 fuses and relay fuse box diagram location and assignment of elect. Some chevrolets have multiple interior fuse boxes including in the trunk the video above will show you where the interior fuse box of your 2008 silverado 1500 is located. Engine control module battery 13.


















